Contact us
Turn Key Projects

Turn Key Projects

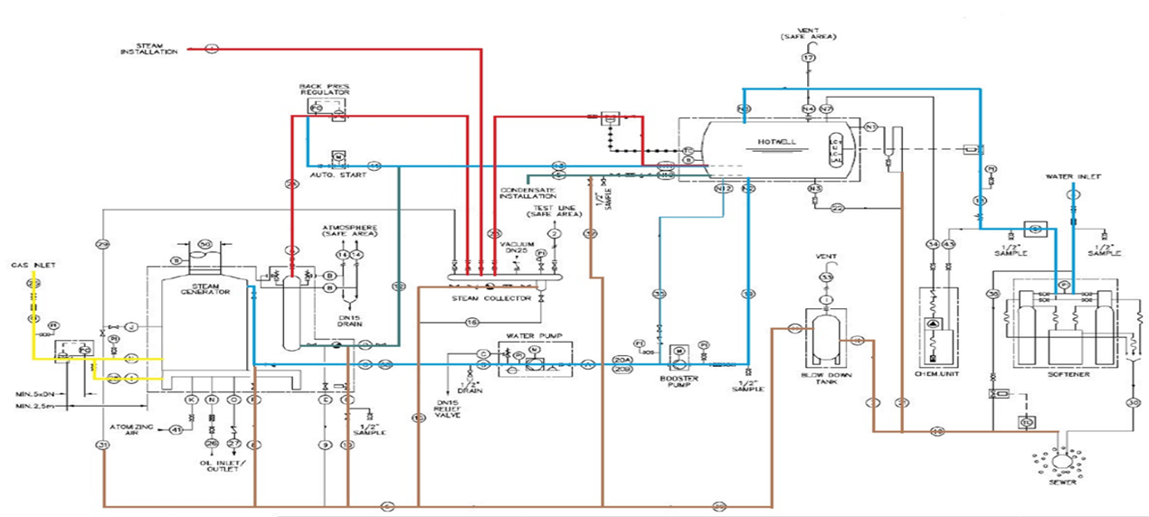
Clayton’s experience in steam solutions goes far beyond manufacturing the generator or heat processing equipment. That’s because every installation is different and to achieve maximum efficiency, we adapt and integrate our systems to meet our customer’s needs. There are very few challenges we haven’t seen and overcome!

As a result, Clayton designers, engineers and management teams have developed multiple skills and decades of experience, enabling them to undertake turnkey projects. From simple projects to large, complex industrial processes, we take the same professional approach: completing initial studies, detailed engineering, design appraisal, manufacturing, installation and commissioning. Every element of the project requirement can be catered for right up to the after sales care.

Whether for a new process heating demand or to supplement an existing need, a steam system from Clayton supplied as a skid mounted package or a containerised plant room can be a very cost-effective solution. Easy and quick to install, the factory assembled and tested plant is supplied with all relevant certification and is ready to use as soon as it is installed on site. Any of our process heating systems are available in these factory assembled formats. Premises where working time on site must be kept to a bare minimum or premises where the plant may need to be moved in the future can really benefit from this approach.

Advantages

  • Often simplified site civil works requirements
  • Easy transport (standard container can be employed for normal road transport)
  • Very fast installation, connection and start-up
  • Controlled cost
  • Equipment for temporary use, the truly mobile boiler house
  • Prefabricated, equipped and tested steam solution with manufacturer guarantee

Do you have a specific steam demand or process heating project which requires a turnkey solution? Contact us to find out how we can help and to learn more about some of our recent turnkey projects in your industry.

Arrow iconContact us

MAKING STEAM IS SIMPLE. MAKING STEAM WITH MAXIMUM EFFICIENCY IS CLAYTON'S SPECIALITY.

Industries

Want to discover more?

Contact us

CO2 Energy Efficient

Logo partner Agfa Logo partner Danone Logo partner Pfizer Logo partner Bayer Logo partner JTI Logo partner Unilever Logo partner Coca cola Logo partner L'oréal Logo partner BASF Logo partner GSK Logo partner Knorr Logo partner Mars Logo partner Nestlé Logo partner P&G Logo partner Siemens Logo partner Esso Logo partner Spie Logo partner Maersk Logo partner Pepsico Logo partner Q8 Logo partner Solvay Logo partner Heinz Logo partner EON